850 nm Fabry Perot FP Fasergekoppelte Laserdiode
  • 850 nm Fabry Perot FP Fasergekoppelte Laserdiode 850 nm Fabry Perot FP Fasergekoppelte Laserdiode
  • 850 nm Fabry Perot FP Fasergekoppelte Laserdiode 850 nm Fabry Perot FP Fasergekoppelte Laserdiode
  • 850 nm Fabry Perot FP Fasergekoppelte Laserdiode 850 nm Fabry Perot FP Fasergekoppelte Laserdiode
  • 850 nm Fabry Perot FP Fasergekoppelte Laserdiode 850 nm Fabry Perot FP Fasergekoppelte Laserdiode
  • 850 nm Fabry Perot FP Fasergekoppelte Laserdiode 850 nm Fabry Perot FP Fasergekoppelte Laserdiode

850 nm Fabry Perot FP Fasergekoppelte Laserdiode

850-nm-Fabry-Perot (FP) Multi-Longitudinal-Mode-Butterfly-Laserdiode mit einem Standard-Butterfly-Gehäuse mit integrierter TEC-Temperaturregelung und Überwachungs-PD, die eine stabile und zuverlässige optische Ausgabe liefert.

Anfrage absenden

Produktbeschreibung

850-nm-Fabry-Perot (FP) Multi-Longitudinal-Mode-Butterfly-Laserdiode mit einem Standard-Butterfly-Gehäuse mit integrierter TEC-Temperaturregelung und Überwachungs-PD, die eine stabile und zuverlässige optische Ausgabe liefert.


Merkmale

14-poliges Butterfly-Gehäuse;

Eingebauter Thermistor und TEC;

Der Fasertyp kann SM630-HP-Faser sein;

Betriebstemperatur:-20~ +70℃.


Anwendungen

Optisches Instrument;

Laserquelle.


Elektrooptische Eigenschaften (T=25℃)

Parameter Symbol Zustand Min. Typ. Max. Einheit
Betriebswellenlänge λc CW, 25℃ 840 850 860 nm
Optische Ausgangsleistung PF - 30 - - mW
Schwellenstrom ITH 25℃ - 10 35 mA
Betriebsstrom IOP CW - 255 275 mA
Betriebsspannung VOP 25℃ - 2.1 2.3 V
Überwachen Sie den Strom IMON VRM = 5V 50 - 1500 μA
MPD Dunkelstrom AUSWEIS VRM = 5V - - 50 μA
Thermistorwiderstand RTH 25℃ 9.5 10 10.5
B-Wert des Thermistors β 25℃/80℃ - 3950 - K


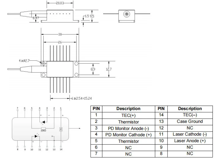
Paketzeichnung und PIN-OUT-Definition (Einheit: mm)

850nm Fabry Perot Fp Fiber Coupled Laser Diode


Lieferung, Versand und Servieren

Alle Produkte wurden vor dem Versand getestet;

Für alle Produkte gilt eine Garantie von 1 bis 3 Jahren. (Nach Ablauf der Qualitätsgarantiezeit wird eine entsprechende Wartungsgebühr erhoben.)

Wir freuen uns über Ihr Geschäft und bieten Ihnen ein sofortiges 7-tägiges Rückgaberecht. (7 Tage nach Erhalt der Artikel);

Wenn die Artikel, die Sie in unserem Shop kaufen, nicht von perfekter Qualität sind, das heißt, sie funktionieren elektronisch nicht gemäß den Herstellerspezifikationen, senden Sie sie einfach zum Umtausch oder zur Rückerstattung an uns zurück;

Sollten die Artikel defekt sein, benachrichtigen Sie uns bitte innerhalb von 3 Tagen nach Lieferung;

Alle Artikel müssen im Originalzustand zurückgegeben werden, um eine Rückerstattung oder einen Ersatz zu erhalten.

Der Käufer ist für alle anfallenden Versandkosten verantwortlich.

850nm Fabry Perot Fp Fiber Coupled Laser Diode


FAQ

F: Gibt es einen passenden Lasertreiber?

A: Ja. Wir können die Diode und den Treiber auch zu einem Laserquellenmodul integrieren.


F: Haben Sie einen FP-Laser mit einer anderen Wellenlänge?

A: Ja, 488 nm/ 520 nm/ 532 nm/ 660 nm/ 850 nm/ 1064 nm... Bitte kontaktieren Sie uns für weitere Details.


Hot-Tags: 850 nm Fabry Perot FP Fasergekoppelte Laserdiode, Hersteller, Lieferanten, Großhandel, Fabrik, kundenspezifisch, Bulk, China, hergestellt in China, günstig, niedriger Preis, Qualität

Verwandte Kategorie

Anfrage absenden

Bitte zögern Sie nicht, Ihre Anfrage im untenstehenden Formular zu stellen. Wir werden Ihnen innerhalb von 24 Stunden antworten.
X
Wir verwenden Cookies, um Ihnen ein besseres Surferlebnis zu bieten, den Website-Verkehr zu analysieren und Inhalte zu personalisieren. Durch die Nutzung dieser Website stimmen Sie der Verwendung von Cookies zu. Datenschutzrichtlinie
Ablehnen Akzeptieren