Die 1653-nm-40-mW-DFB-Laserdiode für die CH4-Erkennung des Methansensors nutzt eine planare Konstruktion mit Chip auf Unterträger. Der Hochleistungschip ist hermetisch in einem epoxid- und flussmittelfreien 14-Pin-Butterfly-Gehäuse versiegelt und mit einem Thermistor, einem thermoelektrischen Kühler und einer Überwachungsdiode ausgestattet, um eine hochwertige Laserleistung sicherzustellen. Unsere Laserprodukte sind Telcordia GR-468-zertifiziert und entsprechen den RoHS-Richtlinien.
Die 1653-nm-40-mW-DFB-Laserdiode für die CH4-Erkennung des Methansensors nutzt eine planare Konstruktion mit Chip auf Unterträger. Der Hochleistungschip ist hermetisch in einem epoxid- und flussmittelfreien 14-Pin-Butterfly-Gehäuse versiegelt und mit einem Thermistor, einem thermoelektrischen Kühler und einer Überwachungsdiode ausgestattet, um eine hochwertige Laserleistung sicherzustellen. Unsere Laserprodukte sind Telcordia GR-468-zertifiziert und entsprechen den RoHS-Richtlinien.
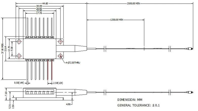
14-poliges Butterfly-Gehäuse nach Industriestandard;
Eingebauter TEC und optischer Isolator;
Hochleistungsfähiger Multiquantum Well (MQW)-Laser mit verteilter Rückkopplung (DFB).
Produktionsprüfung passiver Komponenten zur Gasdetektion;
Fasergaserkennungssystem;
Laserquellen.
| Parameter | Symbol | Zustand | Min. | Typ. | Max. | Einheit |
| Mittenwellenlänge | λc | TL=15~35℃ CW | 1652.7 | 1653.7 | 1654.7 | nm |
| Optische Ausgangsleistung | Po | CW | - | 40 | - | mW |
| LD Schwellenstrom | ITH | CW | - | 15 | 40 | mA |
| LD Vorwärtsstrom | Wenn | Pf = Nennleistung | - | 300 | 400 | mA |
| Optische Isolierung | - | -10 < TC < +70 ℃ | 30 | - | - | dB |
| Seitenmode-Unterdrückungsverhältnis | SMSR | CW | 35 | 40 | - | dB |
| Überwachen Sie die Reaktionsfähigkeit | Ich /Pf | - | - | 1 | 20 | uA/mW |
| Überwachen Sie die Reaktionsstabilität | - | - | - | - | 20 % | - |
| Dunkelstrom überwachen | Ausweis | VPD = 5V | - | - | 50 | n / A |
| TEC-Strom | ITEC | Tcase =75℃ | - | - | 2 | A |
| TEC-Spannung | VTEC | Tcase =75℃ | - | - | 3.5 | V |
| TEC-Stromverbrauch | P | Tstg =25℃ | - | - | 5 | W |
| Thermistorwiderstand | Rth | Tcase =75℃ | 9.5 | 10 | 10.5 | Kohm |
| Thermistor B konstant | Bth | Tstg =25℃ | - | 3900 | - | K |
| Wellenlängendrift (EOL) | △λ | Getestet über eine Lebensdauer von 25 Jahren | - | - | ±0,1 | nm |
| Welle. Temperaturkoeffizient | Δλ/ΔT | TEC-Temperatur bei 15℃ bis 35℃ | - | 0.09 | - | nm/℃ |
| Wellenlänge Stromkoeffizient | Δλ/ΔΙ | - | - | 0.01 | - | nm/mA |

Alle Produkte wurden vor dem Versand getestet;
Für alle Produkte gilt eine Garantie von 1 bis 3 Jahren. (Nach Ablauf der Qualitätsgarantiezeit wird eine entsprechende Wartungsgebühr erhoben.)
Wir freuen uns über Ihr Geschäft und bieten Ihnen ein sofortiges 7-tägiges Rückgaberecht. (7 Tage nach Erhalt der Artikel);
Wenn die Artikel, die Sie in unserem Shop kaufen, nicht von perfekter Qualität sind, das heißt, sie funktionieren elektronisch nicht gemäß den Herstellerspezifikationen, senden Sie sie einfach zum Umtausch oder zur Rückerstattung an uns zurück;
Sollten die Artikel defekt sein, benachrichtigen Sie uns bitte innerhalb von 3 Tagen nach Lieferung;
Alle Artikel müssen im Originalzustand zurückgegeben werden, um eine Rückerstattung oder einen Ersatz zu erhalten;
Der Käufer ist für alle anfallenden Versandkosten verantwortlich.
F: Wie hoch ist die Genauigkeit der Wellenlänge?
A: +/-0,5 nm.
F: Gibt es andere Versionen der Ausgangsleistung?
A: 10 mW, 15 mW, 50 mW.
1512nm 10mW DFB 14PIN Schmetterlingslaser für NH3-Erkennung
1392-nm-DFB-Butterfly-Laserdiode für Feuchtigkeits-H2O-Erkennung
1653-nm-DFB-Butterfly-Laserdiode zur CH4-Erkennung
1567-nm-DFB-Butterfly-Laserdiode zur CO-Erkennung
1578 nm 10 mW DFB-Laserdiode für die Schwefelwasserstoffdetektion
1580-nm-DFB-Butterfly-Laserdiode zur CO2-ErkennungCopyright @ 2020 Shenzhen Box Optronics Technology Co., Ltd. – China Glasfasermodule, Hersteller von fasergekoppelten Lasern, Lieferanten von Laserkomponenten. Alle Rechte vorbehalten.